ТМЛ-У - Наконечники медные с узкой лопаткой
й
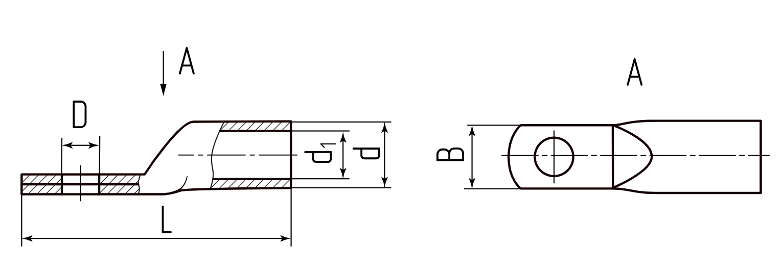
Размеры
| SKU | товарные позиции Цвет изоляции | L (мм) | B (мм) | D (мм) | d (мм) | d₁ (мм) |
|---|---|---|---|---|---|---|
| ТМЛ-У 25-6 (КВТ) | 37 | 12 | 6.4 | 9.5 | 6.9 | |
| ТМЛ-У 35-6 (КВТ) | 39.5 | 15 | 6.5 | 12 | 8.5 | |
| ТМЛ-У 50-6 (КВТ) | 47 | 15 | 6.5 | 14 | 10 | |
| ТМЛ-У 70-6 (КВТ) | 53 | 17 | 6.5 | 16.5 | 12 | |
| ТМЛ-У 70-8 (КВТ) | 53 | 17 | 8.5 | 16.5 | 12 | |
| ТМЛ-У 70-10 (КВТ) | 53 | 17 | 10.5 | 16.5 | 12 | |
| ТМЛ-У 95-8 (КВТ) | 59.5 | 19 | 8.5 | 18 | 13.5 | |
| ТМЛ-У 95-10 (КВТ) | 59.5 | 19 | 10.5 | 18 | 13.5 | |
| ТМЛ-У 120-8 (КВТ) | 62.5 | 19 | 8.5 | 19.5 | 15 | |
| ТМЛ-У 120-10 (КВТ) | 62.5 | 19 | 10.5 | 19.5 | 15 | |
| ТМЛ-У 120-12 (КВТ) | 62.5 | 19 | 13 | 19.5 | 15 | |
| ТМЛ-У 150-8 (КВТ) | 67.5 | 19 | 8.5 | 21 | 16.5 | |
| ТМЛ-У 150-10 (КВТ) | 67.5 | 19 | 10.5 | 21 | 16.5 | |
| ТМЛ-У 185-10 (КВТ) | 76.5 | 24.5 | 10.5 | 24 | 19 | |
| ТМЛ-У 185-12 (КВТ) | 76.5 | 24.5 | 10.5 | 24 | 19 | |
| ТМЛ-У 240-10 (КВТ) | 83.5 | 31 | 10.5 | 26 | 21 | |
| ТМЛ-У 240-12 (КВТ) | 83.5 | 31 | 10.5 | 26 | 21 |
Наконечники ТМЛ-У: особенности и применение
Наконечники ТМЛ-У — это изделия, предназначенные для оконцевания медных жил кабелей и проводов. Они обеспечивают надёжное и качественное соединение, а также защищают провод от повреждений при монтаже.
Особенности наконечников ТМЛ-У
Наконечники ТМЛ-У изготавливаются из электротехнической меди. Этот материал отличается высокой проводимостью и устойчивостью к коррозии, что обеспечивает долгий срок службы и надёжность соединения.
Конструкция наконечников ТМЛ-У разработана таким образом, что их легко монтировать на жилу кабеля с помощью пресс-клещей. Это позволяет быстро и качественно выполнить соединение, не повреждая при этом жилу.
Применение наконечников ТМЛ-У
Наконечники ТМЛ-У широко используются в электромонтаже и при прокладке кабельных линий. Они незаменимы при монтаже электрооборудования, в строительстве и при проведении ремонтных работ.
Благодаря разнообразию размеров и форм наконечников ТМЛ-У они подходят для различных типов работ. Выбор конкретного типа наконечника зависит от сечения жилы кабеля и требований к соединению.
Наконечники ТМЛ-У обеспечивают качественный контакт и способствуют надёжной работе электрических систем. Их использование позволяет минимизировать риск возникновения проблем при эксплуатации и продлить срок службы оборудования.
Если вам нужны наконечники высокого качества для надёжного соединения медных жил, то ТМЛ-У — отличный выбор. Они станут незаменимыми помощниками в вашей работе.
Фотогалерея
- Комментарии
